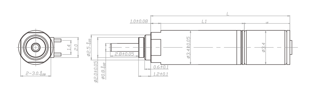
3.4MM金属减速齿轮箱
外径: 3.4mm
材质: 五金
旋转方向: cw&ccw
齿轮箱回程差: ≤3°
轴承: 含油轴承
轴向窜动: ≤0.3mm
输出轴径向负载: ≤0.3N
工作温度: -20……+85℃
齿轮箱参数
| 齿轮级数 |
1 |
2 |
3 |
4 |
| 减速比 |
5 |
25 |
125 |
625 |
| 最大容许扭力(gf.cm) |
50 |
50 |
50 |
50 |
| 瞬间容许力矩(gf.cm) |
150 |
150 |
150 |
150 |
| 齿轮箱效率 |
85 |
73 |
65 |
58 |
| 长度 |
6 |
7.5 |
9 |
10.5 |
马达规格参数
| 马达(可选择) |
步进电机 |
| 电压(可选择) |
3V |
| 输入速度 |
≤10000rpm |
| 电流 |
50mA max |
| 型号 |
额定转速(rpm) |
额定容许力矩(gf.cm) |
瞬间容许力矩(gf.cm) |
减速比 |
减速箱长L1(mm) |
总长L(mm) |
| MD003003-5 |
1440.0 |
50 |
150 |
5 |
6.0 |
10.75 |
| MD003003-25 |
288.0 |
50 |
150 |
25 |
7.5 |
12.25 |
| MD003003-125 |
57.6 |
50 |
150 |
125 |
9 |
13.75 |
| MD003003-625 |
11.5 |
50 |
150 |
625 |
10.5 |
15.25 |
ZWBMD003003-5
-
额定转速(rpm):
-
300
-
最高转速(rpm):
-
﹀
-
额定容许力矩(gf.cm):
-
50
-
瞬间容许力矩(gf.cm):
-
150
-
减速比:
-
5
-
减速箱长L1(mm):
-
6
-
总长L(mm):
-
10.75
﹀
-
额定容许力矩(gf.cm):
-
50
-
瞬间容许力矩(gf.cm):
-
150
-
减速比:
-
25
-
减速箱长L1(mm):
-
7.5
-
总长L(mm):
-
12.25
﹀
-
额定容许力矩(gf.cm):
-
50
-
瞬间容许力矩(gf.cm):
-
150
-
减速比:
-
125
-
减速箱长L1(mm):
-
9
-
总长L(mm):
-
13.75
ZWBMD003003-625
-
额定转速(rpm):
-
2.4
-
最高转速(rpm):
-
﹀
-
额定容许力矩(gf.cm):
-
50
-
瞬间容许力矩(gf.cm):
-
150
-
减速比:
-
625
-
减速箱长L1(mm):
-
10.5
-
总长L(mm):
-
15.25
*以上规格数据仅供参考,如有修改恕不另行通知。
* The above specifications are subject to change without prior notice.
3.4MM金属减速齿轮箱应用
HJC黄金城官网 — 微型驱动系统制造商
专注于研发、生产精密驱动系统,为客户提供智能驱动方案设计,零件的生产与组装的定制化服务
立即咨询 >